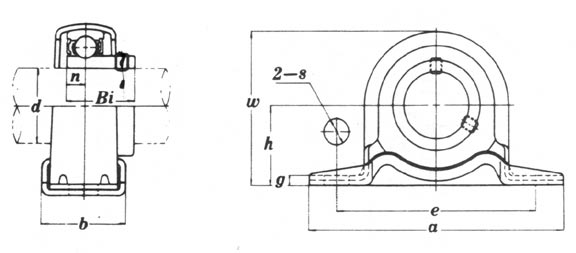
SBPP PILLOW BLOCKS
Use the chart
below to select your desired size
Shaft
Size |
h |
a |
e |
b |
s |
g |
w |
n |
Bolt
size |
Bi |
Max
load |
Max
rpm |
Weight |
1/2" |
7/8" |
3-3/8" |
2-43/64" |
63/64" |
3/8" |
3.2
mm |
1-23/32" |
0.2362" |
5/16" |
0.8661" |
1100
lb |
5800 |
0.35
lb |
5/8" |
7/8" |
3-3/8" |
2-43/64" |
63/64" |
3/8" |
3.2
mm |
1-23/32" |
0.2362" |
5/16" |
0.9843" |
1100
lb |
5800 |
0.35
lb |
3/4" |
1" |
3-27/32" |
2-63/64" |
1-1/4" |
3/8" |
3.2
mm |
1-63/64" |
0.2756" |
5/16" |
0.9843" |
1216
lb |
5800 |
0.51
lb |
7/8" |
1-1/8" |
4-1/4" |
3-25/64" |
1-1/4" |
29/64" |
4.0
mm |
2-15/64" |
0.2953" |
3/8" |
1.0630" |
1350
lb |
5100 |
0.62
lb |
1" |
1-1/8" |
4-1/4" |
3-25/64" |
1-1/4" |
29/64" |
4.0
mm |
2-15/64" |
0.2953" |
3/8" |
1.0630" |
1350
lb |
5100 |
0.62
lb |
1-1/8" |
1-5/16" |
4-7/32" |
3-47/64" |
1-1/2" |
29/64" |
4.0
mm |
2-5/8" |
0.3150" |
3/8" |
1.1811" |
1833
lb |
4300 |
1.0
lb |
1-3/16" |
1-5/16" |
4-7/32" |
3-47/64" |
1-1/2" |
29/64" |
4.0
mm |
2-5/8" |
0.3150" |
3/8" |
1.1811" |
1833
lb |
4300 |
1.0
lb |
1-1/4" |
1-5/16" |
4-7/32" |
3-47/64" |
1-1/2" |
29/64" |
4.0
mm |
2-5/8" |
0.3150" |
3/8" |
1.1811" |
1833
lb |
4300 |
1.0
lb |
Ready to order? Return
to the order page.
