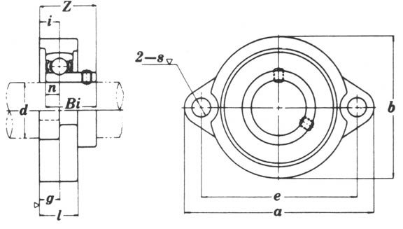
BLF 2 BOLT COMPACT
FLANGE MOUNTS
Use the chart
below to select your desired size
Shaft
Size |
a |
e |
i |
g |
l |
s |
b |
n |
Bolt
size |
Z |
Bi |
Max
load |
Max
rpm |
Weight |
1/2" |
3-3/16" |
2-1/2" |
3/8" |
3/8" |
23/32" |
5/16" |
2-1/16" |
0.2362" |
1/4" |
1" |
0.8661" |
3960
lb |
5800 |
0.55
lb |
5/8" |
3-3/16" |
2-1/2" |
3/8" |
3/8" |
23/32" |
5/16" |
2-1/16" |
0.2362" |
1/4" |
1" |
0.8661" |
3960
lb |
5800 |
0.55
lb |
3/4" |
3-17/32" |
2-13/16" |
7/16" |
7/16" |
25/32" |
25/64" |
2-13/32" |
0.2756" |
5/16" |
1-5/32" |
0.9843" |
4380
lb |
5800 |
0.73
lb |
7/8" |
3-3/4" |
2-63/64" |
7/16" |
7/16" |
25/32" |
25/64" |
2-17/32" |
0.2953" |
5/16" |
1-3/16" |
1.0630" |
4860
lb |
5100 |
0.84
lb |
1" |
3-3/4" |
2-63/64" |
7/16" |
7/16" |
25/32" |
25/64" |
2-17/32" |
0.2953" |
5/16" |
1-3/16" |
1.0630" |
4860
lb |
5100 |
0.84
lb |
1-1/8" |
4-7/16" |
3-9/16" |
15/32" |
15/32" |
7/8" |
15/32" |
3" |
0.3150" |
3/8" |
1-11/32" |
1.1811" |
6600
lb |
4300 |
1.3
lb |
1-3/16" |
4-7/16" |
3-9/16" |
15/32" |
15/32" |
7/8" |
15/32" |
3" |
0.3150" |
3/8" |
1-11/32" |
1.1811" |
6600
lb |
4300 |
1.3
lb |
1-1/4" |
4-13/16" |
3-15/16" |
33/64" |
1/2" |
15/16" |
15/32" |
3-1/2" |
0.3346" |
3/8" |
1-7/16" |
1.2598" |
8040
lb |
3700 |
1.7
lb |
1-3/8" |
4-13/16" |
3-15/16" |
33/64" |
1/2" |
15/16" |
15/32" |
3-1/2" |
0.3346" |
3/8" |
1-7/16" |
1.2598" |
8040
lb |
3700 |
1.7
lb |
1-7/16" |
4-13/16" |
3-15/16" |
33/64" |
1/2" |
15/16" |
15/32" |
3-1/2" |
0.3346" |
3/8" |
1-7/16" |
1.2598" |
8040
lb |
3700 |
1.7
lb |
Ready to order? Return
to the order page.
