LSM-M1120040 Leeson M1120040 Motor <p align="left"><font color="00ff66" size="2" face="Arial, Helvetica, sans-serif">These
workhorse motors are a great, compact design with easy
face and back plate mounting possibilities. Available in several
different sizes. </font></p>
<p align="left"><font color="00ff66" size="2" face="Arial, Helvetica, sans-serif"> These
are the same motors that have powered 220 pound, Heavyweight robots
such as Voltronic to victory!
</font></p>
<p align="left"><font color="00ff66" size="2" face="Arial, Helvetica, sans-serif">Features:<br>
- Reversible, Permanent Magnet design<br>
- Operates at either 12V or 24V.
<br>
- Linear speed/torque characteristics for extremely smooth operation
at various voltages<br>
- Ball bearings<br>
- Long-life brushes that can be replaced without disassembly of motor<br>
- Built to last- these are rated for continuous duty! In a robot, you'll
be able to run these long and hard, with little chance of damage. <br>
- Extremely efficient motor (about 82.9% efficiency at 24V) <br>
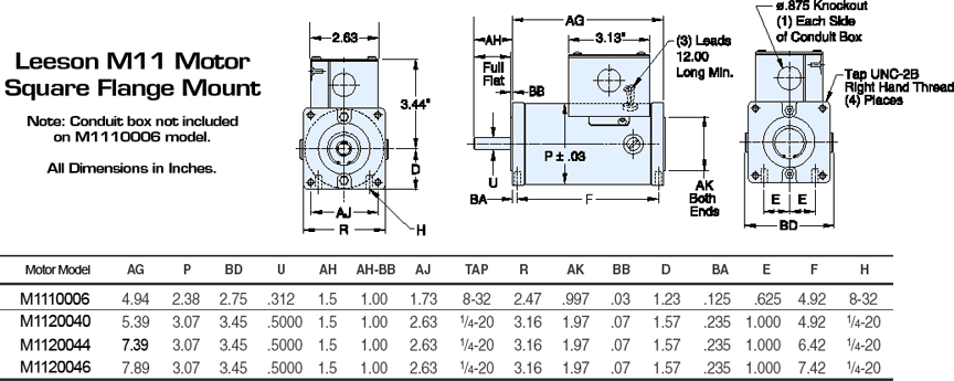
- Conduit box (not pictured) is easily removed with
two screws, for space &amp; weight savings.</font></p>
<table width="100%" border="1" cellspacing="0" cellpadding="0">
<tr>
<td width="27%"><font color="00ff66" size="2" face="Arial, Helvetica, sans-serif">Voltage</font></td>
<td width="24%"><div align="center"><font color="#CCCCCC" size="2" face="Arial, Helvetica, sans-serif">12</font></div></td>
<td width="23%"><div align="center"><font color="#CCCCCC" size="2" face="Arial, Helvetica, sans-serif">24</font></div></td>
</tr>
<tr>
<td><font color="00ff66" size="2" face="Arial, Helvetica, sans-serif">rpm</font></td>
<td><div align="center"><font color="#CCCCCC" size="2" face="Arial, Helvetica, sans-serif">1750</font></div></td>
<td><div align="center"><font color="#CCCCCC" size="2" face="Arial, Helvetica, sans-serif">4200</font></div></td>
</tr>
<tr>
<td><font color="00ff66" size="2" face="Arial, Helvetica, sans-serif">peak hp </font></td>
<td><div align="center"><font color="#CCCCCC" size="2" face="Arial, Helvetica, sans-serif">*</font></div></td>
<td><div align="center"><font color="#CCCCCC" size="2" face="Arial, Helvetica, sans-serif">*</font></div></td>
</tr>
<tr>
<td><font color="00ff66" size="2" face="Arial, Helvetica, sans-serif">stall
torque </font></td>
<td><div align="center"><font color="#CCCCCC" size="2" face="Arial, Helvetica, sans-serif">*</font></div></td>
<td><div align="center"><font color="#CCCCCC" size="2" face="Arial, Helvetica, sans-serif">*</font></div></td>
</tr>
<tr>
<td><font color="00ff66" size="2" face="Arial, Helvetica, sans-serif">no load
current </font></td>
<td><div align="center"><font color="#CCCCCC" size="2" face="Arial, Helvetica, sans-serif">*</font></div></td>
<td><div align="center"><font color="#CCCCCC" size="2" face="Arial, Helvetica, sans-serif">*</font></div></td>
</tr>
<tr>
<td><font color="00ff66" size="2" face="Arial, Helvetica, sans-serif">stall
current </font></td>
<td><div align="center"><font color="#CCCCCC" size="2" face="Arial, Helvetica, sans-serif">*</font></div></td>
<td><div align="center"><font color="#CCCCCC" size="2" face="Arial, Helvetica, sans-serif">*</font></div></td>
</tr>
<tr>
<td><font color="00ff66" size="2" face="Arial, Helvetica, sans-serif">weight</font></td>
<td colspan="2"><div align="center"><font color="#CCCCCC" size="2" face="Arial, Helvetica, sans-serif">4.0
lb</font></div></td>
</tr>
<tr>
<td><font color="00ff66" size="2" face="Arial, Helvetica, sans-serif">shaft</font></td>
<td colspan="2"><div align="center"><font color="#CCCCCC" size="2" face="Arial, Helvetica, sans-serif">1/2&quot; keyed </font></div></td>
</tr>
</table>
<p align="right"><font color="00ff66" size="2" face="Arial, Helvetica, sans-serif">*
data coming soon</font> </p>

Leeson M1120040 Motor
These are the same motors that have powered 220 pound, Heavyweight robots such as Voltronic to victory!

$209.99
Robot MarketPlace - Leeson M1120040 Motor

Motors
    Leeson Motors


Click photo to enlarge.

Leeson M1120040 Motor
Part# LSM-M1120040




Please see this product on the new Robot MarketPlace web site. Click here

 
 

 

 

 



 


This page was made with 4W WebMerge