EMS-PMG080 PMG 080 Perm Motor <p align="left"><font color="00ff66" size="2" face="Arial, Helvetica, sans-serif">WOW-
That's all we can say about this one. Almost 4 horsepower from a
7.5 pound motor! </font></p>
<p align="left"><font color="00ff66" size="2" face="Arial, Helvetica, sans-serif">The
PMG 080 is a &quot;pancake&quot; style
neutrally timed, brushed permanent magnet DC motor manufactured by
Perm-Motor in Germany.&nbsp; </font></p>
<p align="left"><font color="00ff66" size="2" face="Arial, Helvetica, sans-serif">Its
high efficiency and high power make it a good choice for electrathon
vehicles, generators, go-karts and robots.&nbsp;</font></p>
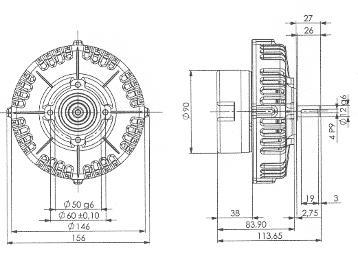
<font color="#CCCCCC" size="2" face="Arial, Helvetica, sans-serif">Specifications:<br>
</font><font color="00ff66" size="2" face="Arial, Helvetica, sans-serif">Voltage:
12/24VDC<br>
Weight: 7.5 lb<br>
Size: 5.9&quot; diameter, 3.5&quot; long <br>
Shaft: 12mm diameter x
27mm long <br>
Shaft has threaded hole, M6 x 12, 16.2 mm deep<br>
Mounting holes are
M6 x 15, 13.8 mm deep <br>
Wires: two 8 gauge, about 1.5 feet long each <br>
Angular-velocity constant: 291 rpm/V<br>
Torque Constant: 4.67 ozf-in/A<br>
No-Load current: 7.8 A<br>
Rotor Inertia: 115 oz-in&sup2;<br>
Inductance: 2.6 &micro;H<br>
Continuous current: 78 A<br>
10 min current: 115 A </font><font size="2" face="Arial, Helvetica, sans-serif"><br>
<br>
</font> <div align="center">
<table border="1" cellpadding="0" cellspacing="0" bordercolor="#666666">
<tr>
<td class="main"><font color="#CCCCCC" size="2" face="Arial, Helvetica, sans-serif">&nbsp; </font></td>
<td bgcolor="#333333" class="main"><font color="#CCCCCC" size="2" face="Arial, Helvetica, sans-serif">12
V </font></td>
<td bgcolor="#333333" class="main"><font color="#CCCCCC" size="2" face="Arial, Helvetica, sans-serif">24V</font></td>
</tr>
<tr>
<td class="main"><font color="#CCCCCC" size="2" face="Arial, Helvetica, sans-serif">Peak
efficiency </font></td>
<td class="main"><p><font color="#CCCCCC" size="2" face="Arial, Helvetica, sans-serif">76.7%</font></p>

<td class="main"><font color="#CCCCCC" size="2" face="Arial, Helvetica, sans-serif">83.2%</font> </tr>
<tr>
<td class="main"><font color="#CCCCCC" size="2" face="Arial, Helvetica, sans-serif">Peak
Power </font></td>
<td class="main"><font color="#CCCCCC" size="2" face="Arial, Helvetica, sans-serif">0.958
hp </font></td>
<td class="main"><font color="#CCCCCC" size="2" face="Arial, Helvetica, sans-serif">3.95
hp </font></td>
</tr>
<tr>
<td class="main"><font color="#CCCCCC" size="2" face="Arial, Helvetica, sans-serif">No-load
angular velocity </font></td>
<td class="main"><font color="#CCCCCC" size="2" face="Arial, Helvetica, sans-serif">3390
r/min </font></td>
<td class="main"><font color="#CCCCCC" size="2" face="Arial, Helvetica, sans-serif">6880
r/min </font></td>
</tr>
<tr>
<td class="main"><font color="#CCCCCC" size="2" face="Arial, Helvetica, sans-serif">Stall
current</font></td>
<td class="main"><font color="#CCCCCC" size="2" face="Arial, Helvetica, sans-serif">253
A </font></td>
<td class="main"><font color="#CCCCCC" size="2" face="Arial, Helvetica, sans-serif">505
A </font></td>
</tr>
<tr>
<td class="main"><font color="#CCCCCC" size="2" face="Arial, Helvetica, sans-serif">Stall
torque </font></td>
<td class="main"><font color="#CCCCCC" size="2" face="Arial, Helvetica, sans-serif">1140
ozf-in </font></td>
<td class="main"><font color="#CCCCCC" size="2" face="Arial, Helvetica, sans-serif">2320
ozf-in</font></td>
</tr>
</table></div>

PMG 080 Perm Motor
A very powerful pancake-style motor. Almost 4hp at 24V!

$529.00
Robot MarketPlace - PMG 080 Perm Motor

Motors
    PERM Motors


Click photo to enlarge.

PMG 080 Perm Motor
Part# EMS-PMG080


No reviews yet.

$529.00
This Product Has Been Discontinued
Stock Status: Removed